Из журнала ZX Power #2
Харьков, 25.05.1997



       РАСШИРЕННЫЙ ЭКРАН.
 
(C)1997  В.М.Г.
________________________________
 
   Вот, заглянул на огонек в ре-
дакцию "ZX Power".Эпоха журнало-
творчества,по-моему, положитель-
но влияет  на юзеров и хаккеров.
Если   демомейкерство  по  самой
своей сути было бескорыстной за-
бавой и допускало любые разгиль-
дяйства,то законы рынка предъяв-
ляют  суровые требования к форме
и содержанию журналов,меняют от-
ношение к своему, а значит и чу-
жому, труду. В  Харькове заметно
поубавилось  количество "ломате-
лей",стало неожиданно трудно по-
лучить шаровую  копию новой вер-
сии местного  софта, даже иного-
роднего  журнала или игры, и это
радует.
   Самая  крутая  защита  должна
стоять  не на нулевом треке, а в
собственной голове. Слово на За-
паде заменяет  круглую печать не
из-за какого-то их превосходства
в духовности.Это - подсознатель-
ное  соглашение:  не  подставляй
других,и не подставят тебя. Ког-
да ты ломаешь чужую программу,то
кто-то с той стороны зеркала ло-
мает твою.
   Конечно, Природу не изменить,
и кто-нибудь  всегда, в отместку
за свое подавленное детство, бу-
дет  крушить  телефонные  будки,
писать маты на  заборах и запус-
кать компьютерные вирусы, но это
одиночки и угроза не от них.
   Поэтому, давайте  смелее  ме-
нять сложившиеся  стереотипы от-
ношений, забывая про  застарелые
обиды и  свеженаломанные  дрова,
ведь не ошибался  лишь  тот, кто
ничего не делал.

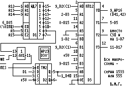
   Теперь  перейдем собственно к
"железу". Сегодня  мы  публикуем
схему увеличения в 2 раза разре-
шения  по   горизонтали   экрана
SPECCY.После доработки можно бу-
дет  ПРОГРАММНО  включить  режим
"512 точек в строке".Даются кон-
кретные  рекомендации владельцам
"Пентагонов". На "PROFI" и "ATM"
такой режим реализован, о "Скор-
пионах" есть кому заботиться без
нас,а владельцы других машин мо-
гут связаться  с  автором  через
редакцию "ZX Power".
   Схема разработана и опробова-
на очень давно, но приобрела ак-
туальность в связи  с  подключе-
нием фирменных модемов к SPECCY.
Дело в том, что компьютерные се-
ти работают в режиме "80  симво-
лов в строке". Как  это выглядит
на обычном  спектрумовском экра-
не, лучше представьте сами. При-
ходится прибегнуть  к  небольшой
доработке, чтобы в 2 раза увели-
чить  количество точек по  гори-
зонтали. Доработка  действитель-
но  небольшая, т.к. изображенное
включение  ИД7  и  следующего за
ней  триггера (ТМ2 или ТМ8, ТМ9,
ИР35) входит в схему подключения
модема через мультикарту и может
быть  использовано  оттуда  либо
сэкономлено там.
   Естественно, что  потребуется
в 2 раза  больше памяти  под эк-
ран. Для этого отводится область
#6000...#7800. В  оставшейся не-
задействованной области #5800...
#6000  по-прежнему располагаются
все  системные  переменные и ко-
роткие  BASIC-программы (загруз-
чики).

    ПРОГРАММНОЕ ОБЕСПЕЧЕНИЕ.

  Основной харьковский разработ-
чик софта, поддерживающего прак-
тически  любые фирменные  модемы
на SPECCY, (VIC) использует  эту
доработку в  своей  терминальной
программе. Не  исключено  ее ис-
пользование     в    готовящемся
Alem'ом  текстовом редакторе под
революционный проект ALDOS.
   Обозначения, как  всегда, да-
ны по плоттерной схеме "Пентаго-
на", но с более  привычной нуме-
рацией адресов (A0...A15).

        ПРИНЦИП РАБОТЫ.

   Повышение разрешения по гори-
зонтали достигается за счет уве-
личения  в два раза частоты так-
тирования   ИР16-х   D41  и  D42
(9_ИР16). Одновременно  в 2 раза
чаще  производится их параллель-
ная загрузка  8-битным  кодом за
счет  замены одной  из частот на
5-D5 компьютера. При этом вторая
выборка производится из ДОПОЛНИ-
ТЕЛЬНОГО РЕГИСТРА D38',напаянно-
го  всеми выходами на D38. Входы
D38',включая вывод 11 соединяют-
ся  с одноименными (имеющими та-
кой же номер) входами D40.На 1-е
выводы  D38 и D38' подаются сиг-
налы  с 9-го и 8-го  выводов D15
соответственно.
   Атрибутный  регистр D40 пере-
водится в  z-состояние и на  его
выходах  устанавливается  код  7
(черный PAPER,белый INK) при по-
мощи 5-ти резисторов по 1к между
выводами 9,12,15,16,19 микросхе-
мы и "землей" (на схеме резисто-
ры  не  указаны!). Во  избежание
"мельтишения"  на  экране  можно
поставить  также  резисторы   1к
между выводами 2,5,6 этой микро-
схемы и +5V.

       ПРОГРАММИРОВАНИЕ.

   После сброса всегда аппаратно
устанавливается  режим  обычного
синклеровского экрана. Программ-
ный выход  в расширенный режим и
обратно  осуществляется установ-
кой/сбросом  бита 1 порта #EFF7.
Использование расширенного режи-
ма не  влияет на содержимое ОЗУ,
т.е. в этом  режиме  БУДЕТ РАБО-
ТАТЬ любая существующая програм-
ма  и  BASIC  (с "полубредом" на
экране).
   По адресам #4000...#5800 хра-
нятся   четные   столбцы  экрана
(0...62),а в #6000...#7800 - не-
четные столбцы (1...63).
________________________________