€§ ¦га­ «  ZX Format #1,
‘ ­Єв-ЏҐвҐаЎгаЈ, 11.1995



  Њ иЁ­   ўаҐ¬Ґ­Ё - ॠ«м­®бвм?
   (® в®а¬®§ е ¤«п ‘ЇҐЄваг¬ )

(C) NEMO

   Nemo    б   "...­ҐЇаҐ®¤®«Ё¬л¬
®вўа йҐ­ЁҐ¬  ­ Ў«о¤ Ґв  нвг а §-
а бв ойгобп  п§ўг..." вгаЎЁа®ў -
­Ёп  Spectrum  -  ¬ иЁ­. ѓ¤Ґ нв®
ўЁ¤ ­®, ­ ЇаЁ¬Ґа, зв®Ўл ¬ иЁ­  б
­ҐЇа®§а з­л¬    ўЁ¤Ґ®Їа®жҐбб®а®¬
вЁЇ   KAY-256  Ё«Ё  Scorpion-256
а §Ј®­п« бм  ў  Ћ‡“   ¦  ­  75%?
…¤Ё­б⢥­­®Ґ, зв® ¬®¦­® ЇаҐ¤ЇаЁ-
­пвм  ў  ¤ ­­®©  бЁвг жЁЁ  - нв®
ба®з­® ­ ¤Ґ« вм "агз­ЁЄ®ў", н¤ -
ЄЁе  в®а¬®§®ў,  Є®в®алҐ  Ї®¬®Јгв
­ ¬ ®Ўг§¤ вм ¬®й­®бвм а бЇ®пб ў-
иЁебп  Їа®жҐбб®а®ў. ‚ «ЁвҐа вгаҐ
㦥   ўбваҐз «Ёбм  гЇ®¬Ё­ ­Ёп  ®
ў®§¬®¦­®бвЁ    б®§¤ ­Ёп    в ЄЁе
гбва®©бвў, Ё ў®в 㦥 з б Їа®ЎЁ«.
‚¬Ґб⥠ б  вҐ¬  ЊЁ­§¤а ў  ў «ЁжҐ
¬ бвҐабЄ®©  "Ѓ«ҐбЄ" ЇаҐ¤гЇаҐ¦¤ -
Ґв, зв® «оЎлҐ "¤®ўҐбЄЁ" б®Єа й -
ов ¦Ё§­м ‚ иҐЈ® Є®¬ЇмовҐа .
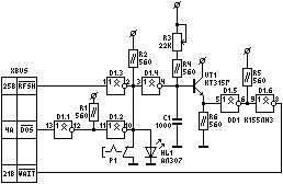
   ‚®в  ­Ё¦Ґ ЇаЁўҐ¤Ґ­  б奬  в -
Є®Ј®  в®а¬®§ ,   ҐйҐ ­Ё¦Ґ ¤ Ґвбп
ҐЈ® Ї®«­®Ґ ®ЇЁб ­ЁҐ:
   ЏаЁ­жЁЇ  а Ў®вл  в®а¬®§  ЇаҐ-
¤Ґ«м­®  Їа®бв. €¬Їг«мб ॣҐ­Ґа -
жЁЁ RFSH/ Ї®бвгЇ Ґв б Їа®жҐбб®а 
Ё  а §ап¦ Ґв Ґ¬Є®бвм C1, Є®в®а п
пў«пҐвбп ўаҐ¬п§ ¤ о饩.
   Ќ    § ¤ ­­®Ґ  ўаҐ¬п,  а ў­®Ґ
T=(R4+R3)*C1*0.42,  Ї®Є  Є®­¤Ґ­-
б в®а  § ап¦ Ґвбп ¤® 2‚, €Њ‘ DD1
Ї® ўл室г б ®вЄалвл¬ Є®««ҐЄв®а®¬
(ЋЉ)  (D1.6)  Ў«®ЄЁагҐв бЁЈ­ «®¬
WAIT/  ®зҐаҐ¤­®Ґ  ®Ўа йҐ­ЁҐ Їа®-
жҐбб®а  Є Ї ¬пвЁ Ё«Ё Ї®ав ¬ ўў®-
¤   -  ўлў®¤ .  ‚ § ўЁбЁ¬®бвЁ ®в
Ї®«®¦Ґ­Ёп ¤ўЁ¦Є  R3 ॠ«м­л© Є®-
нддЁжЁҐ­в  в®а¬®¦Ґ­Ёп б®бв ў«пҐв
1.1 - 6.8 а §. “ўҐ«ЁзЁў R3 ў 1.5
- 2.5 а § , ¬®¦­® ҐйҐ Ў®«миҐ § -
в®а¬®§Ёвм Їа®жҐбб®а, ®¤­ Є® ¬­®-
ЈЁҐ  Їа®Ја ¬¬л  ЇаЁ н⮬ ®бв ­®-
ўпвбп, в.Є. Ўг¤гв гбЇҐў вм ®ва -
Ў влў вмбп   в®«мЄ®   Їа®жҐ¤гал,
Ё­ЁжЁЁагҐ¬лҐ  Ї® бЁб⥬­®¬г в ©-
¬Ґаг  (INT). …б«Ё ‚ б ­Ґ б¬гй Ґв
§ Ї е  Ї «Ґ­®©  १Ё­л ЇаЁ в Є®¬
в®а¬®¦Ґ­ЁЁ,  ᬥ«®  㢥«ЁзЁў ©вҐ
R3!
   ќ«Ґ¬Ґ­вл D1.1 Ё D1.2 Ў«®ЄЁаг-
ов  в®а¬®§  ЇаЁ ®ЇҐа жЁпе б ¤Ёб-
Є®¬, в.Ґ. Є®Ј¤  вॡгҐвбп Ї®«­ п
¬®й­®бвм  Їа®жҐбб®а . ’а ­§Ёбв®а
VT1,  ўЄ«о祭­л© н¬ЁввҐа­л¬ Ї®ў-
в®аЁвҐ«Ґ¬, б®Ј« б®ўлў Ґв ўлб®Є®-
®¬­го ўаҐ¬п§ ¤ ойго 楯м б ’’‹ -
ўе®¤®¬.  Љ­®ЇЄ   P1  ў § ¬Є­г⮬
б®бв®п­ЁЁ ®вЄ«оз Ґв в®а¬®§. ‘ўҐ-
⮤Ё®¤  HL1 ᢥ祭ЁҐ¬ ­ Ї®¬Ё­ Ґв
®  ⮬, зв® ¬ иЁ­  бв®Ёв ­  агз-
­ЁЄҐ Ё Ўлбв॥ ­Ґ Ї®Ґ¤Ґв.
   …¬Є®бвм   C1  㢥«ЁзЁў вм  ­Ґ
б«Ґ¤гҐв, в.Є. ­Ґ г¤ бвбп ®ЎҐбЇҐ-
зЁвм   ¬Ё­Ё¬ «м­л©   Є®нддЁжЁҐ­в
в®а¬®¦Ґ­Ёп  ЇаЁ ¤®ЇгбвЁ¬ле в®Є е
ЋЉ  D1.4  Ё  ¤ўЁ¦Є   R3 (Ё§ - § 
ЁбЄаҐ­Ёп ¤ўЁ¦Є  ¬®¦Ґв ў®§­ЁЄ­гвм
Ї®¦ а  Ё«Ё  Ї®¤Ј®аЁв в®Є®бꥬ­л©
н«Ґ¬Ґ­в ў ўлиҐгЇ®¬п­г⮬ R3).
   Ќ Ў«о¤ вҐ«м­л©    Їа®Ја ¬¬Ёбв
­ ўҐа­пЄ    Ї®зҐаЇ­Ґв  ¤«п  ᥡп
¬­®Ј®  Ї®«Ґ§­®Ј® ў «Ґ­Ёў® а §ўЁ-
ў ойЁебп ®Ўбв®п⥫мбвў е ЁЈа®ўле
бЁвг жЁ©  Ё  ЇаҐ¤ ­Ё¬ ЇаҐ¤бв ­Ґв
­ҐЇаЁЈ«п¤­®бвм   Їа®Ја ¬¬ЁбвбЄ®©
¬ бвҐабЄ®© ў® ўбҐ© ҐҐ ЇҐаў®§¤ ­-
­®©  Єа бҐ. Џ®а冷Є § Ї®«­Ґ­Ёп Ё
д®а¬Ёа®ў ­Ёп   бЇа ©в®ў,  ¬Ґв®¤л
§ Ї®«­Ґ­Ёп   нЄа ­ ,  гЇа®йҐ­­®Ґ
а бЄагзЁў ­ЁҐ "Єб®а®Є" - нв® ¤ -
«ҐЄ® ­Ґ ўбҐ, зв® ¬®¦­® Ї®«гзЁвм,
ЁбЇ®«м§гп нвг ¬ иЁ­г ўаҐ¬Ґ­Ё.
   ‚ ­ҐЄ®в®але Їа®Ја ¬¬ е  ўв®аг
г¤ «®бм   ®Ў­ аг¦Ёвм  ¬Ј­®ўҐ­­лҐ
४« ¬­лҐ  ўбв ўЄЁ дЁа¬, Є®в®алҐ
®Ў« ¤ ов  бў®©бвў®¬ ба §г Їа®ў -
«Ёў вмбп  ў Ї®¤б®§­ ­ЁҐ 祫®ўҐЄ 
б    楫мо   бв вм   Ё¬ЇҐа вЁў®¬
¤Ґ©бвўЁп.  ѓ« §   ®ЇҐа в®а   Ёб-
Ї®«м§говбп  Є Є Їа®бвлҐ аҐжҐЇв®-
ал,  бЁЈ­ «л Є®в®але ¬Ё­гов Є®аг
Ј®«®ў­®Ј® ¬®§Ј , Ј¤Ґ а бЇ®«®¦Ґ­ 
а §«Ёз ой п  бЇ®б®Ў­®бвм (Ё­вҐ«-
«ҐЄв).
   ‡ п¤«л© ЁЈа®Є Ї®«гзЁв ­Ґ®Ўе®-
¤Ё¬®Ґ ¤«п а §¬ли«Ґ­Ё© ўаҐ¬п, § -
¤ ў Ґ¬®Ґ १Ёбв®а®¬ R3, Ё, ўЄ«о-
зЁў  ў ­г¦­л© ¬®¬Ґ­в в®а¬®§ дЁЄ-
б жЁҐ©   P1,   ЇаҐ®¤®«ҐҐв  б ¬го
б«®¦­го ЁЈа®ўго бЁвг жЁо.
   ’®а¬®§  ­Ґ б«Ґ¤гҐв ўЄ«оз вм ў
¬®¬Ґ­вл,  Є®Ј¤  вॡгҐвбп Ї®«­ п
Їа®Ё§ў®¤ЁвҐ«м­®бвм   Є®¬ЇмовҐа ,
­ ЇаЁ¬Ґа,  ЇаЁ а Ў®вҐ б ¬ Ј­Ёв®-
д®­®¬,   ¬®¤Ґ¬®¬,  Їа®б«гиЁўa­ЁЁ
¬г§лЄЁ  Ё  в.¤.  ЌҐ ўбҐЈ¤  в Є¦Ґ
ЇаҐ¤бЄ §гҐ¬л  Ї®Ў®з­лҐ  нд䥪вл,
бўп§ ­­лҐ   б  ЇаЁ¬Ґ­Ґ­ЁҐ¬  нв®©
ЇаЁбв ўЄЁ, ­г ¤  вҐаЇҐ­ЁҐ Ё ваг¤
ўбҐ  ЇҐаҐвагв. ’®«мЄ® § зЁ­ Ґвбп
§ ап в®а¬®§®бв஥­Ёп.