€§ ¦га­ «  ZX Format #1,
‘ ­Єв-ЏҐвҐаЎгаЈ, 11.1995



  Vladimir Larkov ЇpҐ¤бв ў«пҐв:
 
 
  Ў«®ЄЁp®ўЄ  Ї®pв  #1FFD ­  Scorpion
                ZS-256.

   Њ вҐpЁ « Ї®¤Ј®в®ў«Ґ­ бЇҐжЁ «м­® ¤«п
ЏЁвҐpбЄ®Ј® н«ҐЄвp®­­®Ј® ¦гp­ « 
"ZX-Format". ЏҐpҐЇҐз вЄ  Ё
p бЇp®бвp ­Ґ­ЁҐ ¤ ­­®© бв вмЁ ў ¤pгЈЁе
¦гp­ « е, н«ҐЄвp®­­ле бҐвпе Ё Ё­ле
бpҐ¤бвў е ¬ бб®ў®© Ё­д®p¬ жЁЁ (ЇpЁ
гб«®ўЁЁ б®еp ­Ґ­Ёп Ї®«­®Ј® ®Ў'Ґ¬ 
бв вмЁ)  ўв®p®¬ в®«мЄ® ЇpЁўҐвбвўговбп.

   ‚ иҐ¬г ў­Ё¬ ­Ёо ЇpҐ¤« Ј Ґвбп
­Ґб«®¦­ п ¤®p Ў®вЄ  Ї« вл Є®¬ЇмовҐp 
"Scorpion ZS-256", Є®в®p п Ї®¬®¦Ґв
§­ зЁвҐ«м­® ®Ў«ҐЈзЁвм ¦Ё§­м ҐЈ®
ў« ¤Ґ«мж ¬.

   ‚ Ї®б«Ґ¤­ҐҐ ўpҐ¬п p §ўҐ«®бм
¤®бв в®з­®Ґ Є®«ЁзҐбвў® Їp®Јp ¬¬,  ўв®pл
Є®в®pле  ¤pҐбгов Ї®pв Ї® Ї®«®ўЁ­Ґ
 ¤pҐб , Ї®«м§гпбм ¤«п ЇҐpҐЄ«о祭Ёп
бвp ­Ёж Є®¬ ­¤®© OUT (#FD),A. ’ ЄЁҐ
Їp®Јp ¬¬л ®вЄ §лў овбп p Ў®в вм ­ 
"‘Є®pЇЁ®­ е", в.Є. "‘Є®pЇЁ®­г" вpҐЎгҐвбп
Ї®«­л©  ¤pҐб Ї®pв .

   „ ­­ п ¤®p Ў®вЄ  Ї®§ў®«пҐв § ЇгбЄ вм
в ЄЁҐ Їp®Јp ¬¬л. Ћ­  Ў«®ЄЁpгҐв Ї®pв
#1FFD, в ЄЁ¬ ®Ўp §®¬ "Їp®е®¤Ёв" OUT
(#FD),A Ё г¤ Ґвбп ЎҐ§ ЇҐpҐp Ў®в®Є
Їp®Јp ¬¬ Ї®«м§®ў вмбп ­ ЇpЁ¬Ґp STS-®¬,
Ї®б¬®вpҐвм "SATISFACTION" Ё«Ё "INSULT".
  ‘«Ґ¤гҐв Ї®¬­Ёвм в®«мЄ® ®¤­® - ­Ґ Ўг¤гв
а Ў®в вм б Є­®ЇЄ®© Їа®Ја ¬¬л, ­ ЇаЁ¬Ґа
"TASM", Є®в®алe « § ов ў Џ‡“ зҐаҐ§ RST 8,
в.Є. RST 8 ­ е®¤Ёвбп Ї®¤ Є®­ва®«Ґ¬ ⥭Ґ-
ўЁЄ , Є®в®а®¬г ¤«п а Ў®вл ­Ґ®Ўе®¤Ё¬  8- п
бва ­Ёж , Ё, ҐбвҐб⢥­­®, Ї®ав #1FFD.
  Ёв Є, ⥯Ґам Ї®¤а®Ў­ҐҐ:­ ¦Ё¬ вм
Є­®ЇЄг ¬®¦­® ў «оЎ®© ¬®¬Ґ­в, ­ е®¤пбм ў
boot-Ґ, Ё«Ё б ¬®© Їp®Јp ¬¬Ґ, ­Ґ б«Ґ¤гҐв
­ ¦Ё¬ вм Є­®ЇЄг в®«мЄ® ­ е®¤пбм ў
Ј« ў­®¬ ¬Ґ­о Є®¬ЇмовҐp , в.Є. в ¬ ⮦Ґ
"е®§п©­Ёз Ґв" ⥭ҐўЁЄ. €в Є, ­  ЇpЁ¬ҐpҐ:
‚ ¬ ­ ¤® § ЇгбвЁвм STS - Ё¤ҐвҐ ў TR-DOS,
­ ¦Ё¬ ҐвҐ Є­®ЇЄг, § ЇгбЄ ҐвҐ Їp®Јp ¬¬г
RUN "STS". C г¤Ёў«Ґ­ЁҐ¬ ­ Ў«о¤ ҐвҐ, зв®
Їp®Јp ¬¬  p Ў®в Ґв!!! €«Ё, ҐйҐ Їp®йҐ -
­ ¦ «Ё "ENTER" ў Ј« ў­®¬ ¬Ґ­о,
ўлў «Ё«Ёбм ў TR-DOS б § Јpг§Є®© boot- ,
­ ¦ «Ё Є­®ЇЄг, § ЇгбвЁ«Ё Їp®Јp ¬¬г.

…¤Ё­б⢥­­л© Ё§ўҐбв­л© ¬­Ґ boot, Є®в®pл©
­Ґ ¤pг¦Ёв б Є­®ЇЄ®© - бв pЁ­­л© boot
’pгЎЁ­®ў  (ўҐp®пв­®, Ї®«м§гҐв RST).

   ‚в®p®Ґ - в®, зв® ­ ¦ в  Є­®ЇЄ  - ­Ґ
¬Ґи Ґв ‚ ¬ ЁбЇ®«м§®ў вм ⥭ҐўЁЄ!!! ЏpЁ
­ ¦ вЁЁ "magic" Ї®pв #1FFD
p §Ў«®ЄЁpгҐвбп Ё ‚л ЎҐ§ Їp®Ў«Ґ¬
®Є ¦ҐвҐбм ў «оЎЁ¬®¬ ⥭ҐўЁЄҐ. ‚в®pл¬
гЇp ў«пойЁ¬ бЁЈ­ «®¬ ¤«п p §Ў«®ЄЁp®ўЄЁ
Ї®pв  пў«пҐвбп, ҐбвҐб⢥­­®, "reset".
’.Ґ. Ї® "бЎ®pбг" Ё«Ё "¬н¤¦ЁЄг"
Є®¬ЇмовҐpг ў®§ўp й Ґвбп ҐЈ® Ї®pв Ё
«Ёи­ЁҐ бвp ­Ёжл.

   ’ ЄЁ¬ ®Ўp §®¬, ўлпў«пҐвбп ҐйҐ ®¤Ё­
Ї«об - Є­®ЇЄ  Ї®§ў®«пҐв "®Ў¬ ­лў вм"
§ йЁвл ®в "‘Є®pЇЁ®­ ", ®б­®ў ­­лҐ ­ 
§ ЎЁў ­ЁЁ 8-®© бвp ­Ёжл ­ гЈ ¤ ўбпЄ®©
¤pп­мо. € е®вп ЇpЁ ЇpЁ¤г¬лў ­ЁЁ
¤®p Ў®вЄЁ нв®в нд䥪⠭Ґ Ўp «бп ў
p бзҐв, ®­ пў«пҐвбп ҐйҐ ®¤­Ё¬  pЈг¬Ґ­в®¬
§  ¤®p Ў®вЄг.


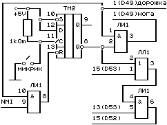
’ҐЇҐpм - б奬 :

========================================
‚л­гвм Ё§ ¤®p®¦ЄЁ 1 ­®Јг D49 (­Ґ ­ pги п
б ¬г ¤®p®Јг!)

ЏҐpҐpҐ§ вм Їp®ў®¤­ЁЄ ¬Ґ¦¤г 13(D53) Ё
15(D52).
Copyright (C)1993-94 by Vladimir Larkov,
                          Dmitry Petrov.
========================================

ЏpЁ¬Ґз ­Ёп:
1. “¤®Ў­® ЁбЇ®«м§®ў вм Ї®«®ўЁ­г TM2,
®бв ойгобп ®в "вгpЎЁp®ў ­Ёп ‚ѓ" (Ґ¦Ґ«Ё
®­® г ‚ б ᤥ« ­®). H®¬Ґp  ­®Ј ­  ¤ ­­®©
б奬Ґ ЇpЁўҐ¤Ґ­л б гзҐв®¬ нв®Ј® д Єв .

2. ‹‹1 Ё ‹€1 гбв ­ ў«Ёў овбп ­  бў®Ў®¤­®Ґ
Ї®«Ґ ­  Ї« вҐ. €е ­Ґ§ ¤Ґ©бвў®ў ­­лҐ
(Ї®Є ) н«Ґ¬Ґ­вл ҐйҐ ЇpЁЈ®¤пвбп ­ ¬ ў
б«Ґ¤гойЁе ¤®p Ў®вЄ е.

3. „«п Ў®«м襣® 㤮Ўбвў  pҐЄ®¬Ґ­¤гҐвбп
ᤥ« вм Ё­¤ЁЄ жЁо:
ЏpЁЇ пў нв® ¤Ґ«® ‚л ­ЁЄ®Ј¤  ­Ґ
§ Їгв ҐвҐбм - ЇpЁ ўЄ«о祭­®© Ў«®ЄЁp®ўЄҐ
ᢥ⮤Ё®¤ Ј®pЁв, ЇpЁ ўлЄ«о祭­®© - ­Ґв.

   ‚ § Є«о祭ЁЁ е®зҐвбп p §ўҐпвм
ᮬ­Ґ­Ёп ­ҐpҐиЁвҐ«м­ле - г ¬Ґ­п нв 
¤®p Ў®вЄ  гбв ­®ў«Ґ­п Ў®«ҐҐ ¤ўге «Ґв
⮬㠭 § ¤, §  ўбҐ нв® ўpҐ¬п ­Ґ ўлпў«Ґ­®
­Ё ®¤­®Ј® ¬Ё­гб  - ўҐ¤м ¤® вҐе Ї®p Ї®Є 
‚л ­Ґ ­ ¦¬ҐвҐ ­  Є­®ЇЄг, ¤®p Ў®вЄ  H€ЉЂЉ
­Ґ ў«ЁпҐв ­  б奬㠪®¬ЇмовҐp , H€‘ЉЋ‹њЉЋ
­Ґ Ё§¬Ґ­пп ҐЈ®.


       With best wishes, Vladimir.
       St.-Petersburg, 23-Oct-1995.