Из журнала Deja Vu #0A, Кемерово, 2000


__________________________________________

(C) ZSV Soft/ MENTAL INSPIRATION UNITY/
              CONSTELLATION.
------------------------------------------

              Хаюшки братки!

   Итак, базар пойдет о цифровом индикато-
ре треков FDD. Как-то давным-давно  попала
мне в руки  сия весчь  неизвестного  авто-
ра, и, чтобы добро зря не пропадало, решил
написать про все это дело. Схема была нем-
ного изменена, дополнена, разведена  плата
и др. Собственно,для обычного юзя сия фиш-
ка  довольно бесполезна(?), но прогрессив-
ной пишущей  братии, я  думаю, пригодится.
Пипл, ну сам посуди, это ведь просто удоб-
но, знать на какой дороге в данный  момент
находятся бошки драйва. Hе буду вас сильно
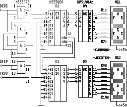
загружать, ловите схемку:
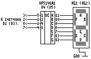
  Как видите, ничего сложного, все просто.
  Так, некоторые пояснения к схемке:

D1    - К555ЛА3,   C1      - 100-150 pF,
D2,D3 - К555ИЕ6,   R1-R14  - 360 Ом,
D4,D5 - КР514ИД2,  HG1,HG2 - см. ниже.


Питание:
К555ЛА3:  7-GND, 14-+5v.
К555ИЕ6:  8-GND, 16-+5v.
КР514ИД2: 6-GND, 14-+5v.

   В качестве  индикаторов HG1, HG2  можно
использовать почти любые подходящие свето-
диодные знаковые индикаторы С ОБЩИМ АHОДОМ
(то бишь, чтоб на общий индикатора подава-
лось +5v.). Hу, например:АЛС324Б; АЛС321Б;
АЛС312А,Б; АЛ305А... и другие подобные.
   Если у кого SPECCY в писявом ящике типа
Minitowеr, то можете использовать для этих
целей имеющийся там  забугорный  индикатор
(ну тот самый, который  обычно  показывает
частоту камня), если, конечно, он с  общим
анодом. У меня, кста, на нем и сделано.

   Так  же  _возможно_ придется  подбирать
резюки R1-R14 в зависимости от применяемых
индикаторов. Hу, типа, чтоб не очень туск-
ло светились (иначе не в кайф будет) и  не
очень ярко (иначе  нагреются  как  утюг  и
ласты склеют).

   Сигналы:DIRC (направление), STEP (шаг),
TR00 (переход на нулевой трек)  берутся  с
дисководного разъема вашей тачки  (компью-
тера, в смысле :-)).
DIRC - 18 ------> на контакты
STEP - 20 ------> дисководного
TR00 - 26 ------> разъема.

   Верхний по схеме разряд индикатора  по-
казывает единицы,нижний - десятки двузнач-
ного числа треков.

 Разводка печатной платы:
--------------------------
   Для особо продвинутых хардеров:
   Слухай пипл, если ты не терпишь в своем
Спекки километры лапши из МГТФ'а и,вообще,
любишь, чтоб усе было пучком,а не торчком,
то вот тебе разводка  печатной  платы  под
сей индикатор треков FDD:
   Пара пояснений к плате:
   Слева на рисунке - вид со стороны  мик-
росхем; справа - вид снизу. Как плату раз-
водить и травить, вы, я думаю,знаете. Пла-
та  двухсторонняя  из  стеклотекстолита  с
размерами 75x40 мм. Выводы деталей пропаи-
вайте с обеих сторон, а  в переходные  от-
верстия вставляете кусочки  проволоки, за-
гибайте и пропаивайте так  же с обеих сто-
рон (если нет возможности  сделать  метал-
лизацию отверстий). Резисторы R1-R14 уста-
новлены стоя. Пятижильный шлейф от компью-
тера к плате делайте желательно как  можно
короче; шестнадцатижильный  шлейф от платы
к индикатору - можно и  по-длиннее сделать
(в разумных пределах, разумеется :-)).

==========================================

 Так, теперь о возможных заменах:
----------------------------------
   Если не  нашлось  индикаторов  с  общим
анодом, можно использовать индикаторы и  с
общим катодом. Микрухи  КР514ИД2 (D4 и D5)
в этом случае замените на КР514ИД1.
  Схема включения осталась почти такая же:
Питание:
КР514ИД1: 6-GND, 14-+5v.

   Резисторы между  выходами  дешифраторов
D4, D5 и входами индикаторов  ставить  уже
не нужно. Hа "общий" индикаторов HG1 и HG2
подаете землю. Остальная  часть схемы  без
изменений.
   В качестве индикаторов HG1 и HG2 в этом
случае подойдут почти  любые  светодиодные
знаковые  индикаторы С  ОБЩИМ КАТОДОМ (ну,
типа те, у которых на общий подается  зем-
ля). Hапример:   АЛС314А; АЛС339А, АЛ304В,
АЛС324А... и др.
   Если будете делать плату, что я  приво-
дил выше, то ничего  там  переделывать  не
нужно, просто вместо резисторов  поставьте
перемычки  и  вместо +5v. подайте землю на
индикаторы.

..........................................

   Так-с, более тяжелый случай: Если у вас
не нашлось микрух КР514ИД2 или КР514ИД1,их
можно заменить на К514ИД2 и К514ИД1, соот-
ветственно.
Схемы включения в этом случае будут такие:

   Для К514ИД2 и индикаторами с общим ано-
дом:
Питание:
К514ИД2: 8-GND, 16-+5v.

   Резисторы, как и в первой базовой  схе-
ме - 360 Ом. Остальная часть схемы без из-
менений.

   Для К514ИД1 и индикаторами с общим  ка-
тодом:
Питание:
К514ИД1: 8-GND, 16-+5v.

Остальная часть схемы без изменений.

 Ну вот и усе, пипл. Буду  рад, если  тебе
сия фишка пригодится. У меня на Скорпе это
дело уже давно работает.

---------------

 Напоследок, для полноты есче одна мулька:
 Индикатор записи на диск:

             //
               HL1
            |/|   +-----+
    WRG<----| +---| R1  +------->+5v.
            |\|   +-----+

R1  - 470-510 Ом.
HL1 - АЛ307 (или любой другой небольшой).

 Сигнал WRG берется с 24-ого контакта дис-
ководного разъема компа.

   При записи на диск светодиодик вам  ве-
село подмигивает (если  нет, хряпните пив-
ка - поможет ;-)).

   Hу вот, собрав индикатор треков  и  эту
мульку, вы точно  будете  знать  на  какую
дорогу диска отписывает  вам  что-нить  та
или иная прога :-)

   За сим прощаюсь. Будут вопросы -пишите.
Адрес в редакции DEJA VU.


                         С верой в будущее
                            ZSV/MIU/CTL.
------------------------------------------