Из журнала Deja Vu #0A, Кемерово, 2000


__________________________________________

(C) Cardinal/PGC/BDA
__________________________________________

  Схема #1FFD ON/OFF для SCORPION ZS 256
     на основе схемы опубликованной в
               ZX FORMAT'е.

   Здравствуйте, уважаемые читатели нашего
журнала! Помнится  еще  в 1996 году я себе
припаял  девайс #1FFD OFF  из  журнала  ZX
FORMAT #01. Пробыла эта примочка у меня аж
до 2000 года. Не  сказал бы, что  она меня
устраивала (но других схем я не видел),по-
тому что она работала только в  одном нап-
равлении. Т.е. нажимаешь на  кнопку - порт
#1FFD отрубается, а вот для того,чтобы его
обратно врубить, приходилось  нажимать  на
MAGIC или(хуже всего)на RESET. Но не всег-
да была возможность нажать на MAGIC, пото-
му что программа,как назло,то активно стек
использует, то, вообще,грохает 8-ую банку.
Тогда я в  железе  был полным ламером, мог
только отличить резистор  от конденсатора,
и то не всегда:-) Вот и маялся... Но потом
я вырос,набрался бесценного опыта в схемо-
технике, т.е. стал  очень  легко  отличать
резистор от конденсатора;-), и  подумал, а
почему бы не сделать по-человечески, нажи-
маешь один раз: порт отрубается, нажимаешь
второй раз: порт врубается, и т.д... Поду-
мал... сделал! Схема приводится ниже, сей-
час я объясню, что нужно сделать.
   Если схема из  ZX FORMAT'а  у  вас  уже
стоит, то НИКАКИХ НОВЫХ ДЕТАЛЕЙ НЕ  НУЖНО!
Нужно только довести ее до  кондиции. Если
у вас, вообще, нет такой доработки, то вот
список необходимых деталюшек:

+------------+
| Микросхемы |
+------------|
| КР1533ТМ2  | Микросхемы можно взять дру-
| КР1533ЛИ1  | гой серии, например, 555.
| КР1533ЛЛ1  |
+------------|
| Резисторы  |
+------------|
|   10 КОм   | Резисторы лучше всего брать
|   300 Ом   | маленькие, например, 0.125
+------------| или 0.25 Вт.
| Светодиод  | Светодиод можно  взять дру-
+------------| подходящий, но этот один из
|АЛ307а,б,в,г| самых дешевых.
+------------|
|   Кнопка   | Кнопка,в принципе,любая без
+------------| фиксации, т.е. нажимаешь -
| МП3-1, МП9 | контакт есть, отпускаешь -
+------------+ контакта нет.


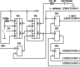
              Схема:
   ВАЖНОЕ ПРИМЕЧАНИЕ: в квадратных скобках
указываются  номера  микросхем  для  новой
платы (TURBO+), в круглых для старой платы
(выпущенной до апреля 1996 года).

          Как работает схема.

   Схема  работает по принципу однобитного
счетчика,т.е. одно нажатие на микрик вклю-
чает ее, а другое выключает и т.д. Неболь-
шие подробности для придирчивых: включение
схемы происходит сразу  после  нажатия  на
микрик и с  приходом  кадрового  синхроим-
пульса, т.е. после нажатия на микрик,триг-
гер ждет начала прорисовки  нового кадра и
только тогда включается. Поэтому, если  вы
каким-то чудом умудритесь нажать и  отпус-
тить кнопку между  прорисовкой  текущего и
следующего кадров экрана,то схемка не сра-
ботает. Но так быстро нажать  на кнопку вы
вряд ли  сможете:-) Выключение  происходит
также. Как и в  прошлой  схеме, порт #1FFD
автоматически разблокируется  при  нажатии
на MAGIC или RESET.

   Далее информация только для тех, у кого
доработка уже есть.

   В  схеме  используется другая половинка
триггера ТМ2,которая раньше была неисполь-
зована. Отпаять все, что идет к ногам мик-
росхемы ТМ2, кроме ножек 7,8,13,14 (их  не
трогать!!!). Далее по  схеме. Резистор  на
10К и 300 Ом нужно  взять  со старой схемы
(они были припаяны  к  базе  транзистора и
светодиоду). Сигнал КС- берется с  систем-
ного разъема: 22-ой контакт снизу. Но луч-
ше всего с 12-ой ноги DD42 (для платы TUR-
BO+), т.к. не надо тянуть провод через всю
плату. Под системным разъемом я подразуме-
ваю тот, к  которому  подводится  питание,
монитор, магнитофон и пр. Хотя  вместо КС-
можно использовать  любой  сигнал, который
постоянно меняет свое состояние из лог.0 в
лог.1 и т.д., не реже 1/50  секунды (напр.
INT-). Можно было бы, вообще, обойтись без
всяких там КС-, например, собрать  триггер
слева по стандартной  схеме одновибратора,
но для этого понадобились бы еще конденса-
тор на несколько нанофарад, диод  КД522  и
резистор. Если вам не жалко дополнительных
деталей, привожу измененную часть схемы.
   Диод может быть КД521 или КД510, а  но-
минал конденсатора тоже может быть изменен
на 75%.
   Но  я  все же рекомендую первый вариант
схемы, т.к. он требует  меньше  деталей. Я
делал оба варианта, но все же  остановился
на первом, пашет как зверь.

   Общий  вывод, говорящий  в пользу новой
схемы  доработки  #1FFD ON/OFF: во-первых,
никаких новых деталей  для этой  доработки
не требуется; во-вторых,в итоге должны ос-
таться лишние: резистор на 1К и транзистор
КТ315,которые можно будет в дальнейшем ис-
пользовать по своему усмотрению,и в треть-
их: данная схема приносит  больше  пользы,
чем  старая! Единственный  минус: придется
все-таки потратить  несколько  сантиметров
проводов.

   Информация для тех, у кого нет доработ-
ки по схеме из ZX FORMAT'а.

   Если  вы не очень хорошо разбираетесь в
электронике, то  лучше  самим  не лазать в
плату, компьютер - вещь сложная,еще отвер-
нете ему голову и что тогда делать будете?
Лучше попросите об этом знающих людей, ду-
маю за пол-литра они вам  сделают  все как
надо, если, конечно,они не примут эти пол-
-литра внутрь до этого...
   Итак, для начала найдите на плате  мик-
росхему [DD47](DD49) это ТМ9  и  аккуратно
выньте 1-ю ногу из дорожки (не нарушая са-
му дорожку!!!), и отогните  ее (ногу). Пе-
рережьте дорожку  между 13-ой ногой [DD52]
(DD53) это ИД7, и 15-ой ногой [DD45](DD52)
это КП12. Все,больше плату коцать не надо.
   Далее паяйте по схеме. И не забудьте ко
всем 14-ым ножкам  подвести +5в, а ко всем
7-ым общий. И еще дельный совет, т.к. 2-ые
ножки  микросхем ЛИ1 и ЛЛ1 соединяются, да
и 7-ые и 14-ые тоже,то микросхему ЛЛ1 луч-
ше разместить над ЛИ1, так  вся  доработка
будет занимать меньше  места  на свободном
монтажном поле. Провода лучше брать тонкие
и мягкие, так легче паять. Думаю, не  надо
объяснять, что чем короче провод, тем луч-
ше. Всего вам доброго, до встречи.

                 Cardinal/PGC/BDA
------------------------------------------