Из газеты ASpect #7, Санкт-Петербург, 08.03.98



         [Доработки к скорпиону]

 Scorpion являеться едва ли не самым расп-
ространенным  Spectrum-совместимым компью-
тером.  И пользователи "Скорпов" постоянно
изобретают   всевозможные  "навароты"  для
своих  любимцев. Чаще всего, эти доработки
актуальны только для Scorpion'a,поэтому мы
и решили открыть специальную рубику.
------------------------------------------
   В сегодняшнем номере я предлогаю Вашему
вниманию еще несколько интересных и весьма
полезных доработок для SCORPION'a.

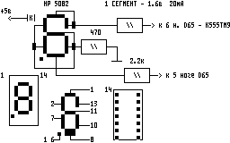
1.  Индикатор для сигнализации драйва дис-
ковода.  На  самом  деле  нужен  чисто для
"прикола",  если  Вы  хотите  просто како-
го-либо  обновления.  Некоторые  программы
работают  только  с драйвом 'А', а если вы
запустили  программу с 'B', то индикатор в
этом  случае  очень  даже полезен. Вся эта
тема сделана только для рулезности ;).
  Я  использовал индикатор марки: HP 5082,
но можно и любые другие. Так же при желани
можно  и  светодиоды  скрутить.  На желтой
плате  элемент  D65 - 555ТМ9, а на зеленой
вроде D67, но в любом случае микруха стоит
под ВГ93. А дальше смотрите рисунок.
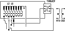
2.  Ну  а  эта доработка поможет всем тем,
кто  имеет два дисковода, и тем, кто устал
каждый  раз выбирать драйвы из TR-DOS, на-
жимая кнопки. А так же для некоторых прог-
рамм: PRO TRACKER, DIGITAL STUDIO и многих
других,  где только DRIVE: A, будет просто
незаменима. Тумблер можно переключать даже
во время загрузки, или записи на диск.
  Дорожки  разъема  дисковода,  ведущие  с
контактов 10 - DS0 и 12 - DS1, перерезают-
ся  в  местах, помеченных крестиком на ри-
сунке,и в соответствии со схемой собирает-
ся данная конструкция.

  В одном положении тумблера дисководы ра-
ботают так:

+------------+
|  drive - А |   -  верхний дисковод
+------------+
+------------+
|  drive - B |   -  нижний дисковод
+------------+

в другом случае:

+------------+
|  drive - B |   -  верхний дисковод
+------------+
+------------+
|  drive - А |   -  нижний дисковод
+------------+

то  есть  меняются  местами.  Для удобства
можно  сделать  так: куда направлена ручка
тумблера  (вверх или вниз), тот дисковод и
будет работать как 'А'. Очень удобно!:)
Если вам что-то непонятно в этих схемах,то
более удобные вы сможете  найти в приложе-
нии к этому номеру газеты.

3.  Ну,и  напоследок скажу, что если вдруг
вы  сидите  на модеме типа VICOMM или сов-
местимых,и у Вас не очень хорошее качество
приема,  то  на микросхему 561лн2, та, что
отвечает  за  прием  (D43  на ж.пл.), надо
сверху  окуратно  насадить еще точно такую
же  и,как  показывает  практика, наступает
заметное  улучшение. Сразу на 2400 цапает.
;)

  В настоящее время есть еще несколько за-
думок,  которые  в последствии надеюсь Вам
изложить. ;)

                            (C) Ivan Bobov