Из журнала Adventurer#12,
Ярославская область, г.Рыбинск, 30.12.2000


      J7N/4th Dimension

           FDD: новые возможности.

     heYa! Наконец JTN , то есть я, решил
донести до народа кучу накопившейся поле-
зной информации в надежде,что кому-нибудь
она пригодится. Как видите, на этот раз я
вещаю не с экрана, украшенного #Z80-e-pa-
per logo, а дружественного нам ADVENTURE-
R 'а.  Это связано с тем, что в ближайшее
время   не   планируется  новых  выпусков
#Z80 ,  и  в то же время статьи по железу
не  очень вписываются в формат нашего из-
дания, судьба которого как всегда неопре-
деленна  ;),  т.е.  о его кончине речь не
идет, равно как и о скором возрождении.
     Честно  говоря,  не  хотел этого пи-
сать,  но  не  могу  не молчать: ну зачем
спрашивается  нужны огромные спектрумовс-
кие  экраны ( Born Dead ), индикаторы но-
мера  дорожки и еше какой-то ерунды ( De-
jaVu ), мультицапов и модификаторов адре-
сного  пространства  ( ZX Hard )? Все это
обычному юзеру нафиг не нужно и к тому же
гробит и без того еле жывые п/платы наших
компьютеров, короче говоря, засоряет жур-
налы/газеты, а также умы начинающих "пая-
льнищиков". Я думаю, вы сделаете соответ-
ствующие выводы.
     Ну ладно, не будем о грустном, пред-
лагаю  на Ваше рассмотрение следующие ве-
щи:  во-первых,  адаптированную  к  Профи
схему для чтения/записи HD (High Density)
дисков,  во-вторых, _очень_ полезную при-
мочку,  дополняющую Turbo HD , ну и нако-
нец,  маленький прибамбас, который я наз-
вал   "защита  #FD" .  Все опубликованные
схемы  придуманы  лично  мной, также мной
спаяны  и работают, так что читайте, раз-
бирайтесь,  хватайте  паяльник и... поль-
зуйтесь на здоровье (-:

     Краткая аннотация по Turbo HD . Мно-
гие утверждали, что ВГшка никогда не смо-
жет  работать с HD, ан нет, нашлись умные
люди, решившие эту проблему (не знаю, ко-
му принадлежит авторство, но сделаю ссыл-
ку  на  AXLR , поскольку в последней вер-
сии,  опубликованной  в DEJA VU #0A стоит
его копирайт). Кстати, в любом случае со-
ветую  ознакомиться с прототипом (хотя бы
в  том  же  DEJA  VU #0A ). Основная идея
очень  проста: на контроллерах флопов ис-
пользуются  частоты:  1  Mhz для ВГшки, 4
Mhz  для  схемы записи (на м/сх ИР16) и 8
Mhz для ФАПЧ, либо 4 Mhz для схемы чтения
это  стандартные  частоты. Если каждую из
них  удвоить, то начнут читаться/писаться
HDшные  диски  (только в том случае, если
дисковод позволяет). Как видите, все эле-
ментарно. Теперь реализация.

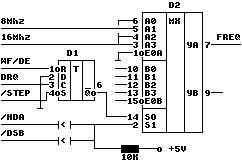
     Владельцам Профи ,  плат  версии 3.x
(версия  верхней платы, нижняя может быть
любой)  нужно собрать только первый фраг-
мент:  м/сх  D1,  D2.  Последовательность
действий  (все  обозначения  для  верхней
платы!):
     1. Если  у  Вас кварц ZQ1 на 16 Mhz,
то переходите к п.3.
     2. Поставьте  кварц  ZQ1  на 16 Mhz,
разомкните  контакты  1 и 8 у S3 (в схеме
это  U27), и замкните контакты 2 и 7. За-
пустите  комп,  с дисками он должен рабо-
тать  как  и  раньше, иначе ставьте U22 и
U26 серии 1533 или хотя бы 555. Когда все
заработает переходите к п.3.
     3. Разомкните 2 и 7 у S3.
     4. Поставьте D1, D2 доработки. Отку-
да брать сигналы?
     8Mhz с U26.12, 16 Mhz с U26.14,
     FREQ на U26.1, WF/DE с U21.13,
     DRQ с U13.9, /STEP с U12.4.
     Где  брать  /HDA,  /DSB и нафига они
нужны читайте дальше.
     Микросхемы:
     D1: 1533ТМ2, D2: 1533КП12,
     в качестве D1 сойдет 555.

               Фрагмент 1.

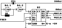
     Что,  у  Вас  не Профи 3й версии? Ну
ничего,  для Вас я постарался и нарисовал
кусок схемы с Профика (фрагмент 2). Итак:
     1. Сначала  выясняете,  если  у  Вас
ФАПЧ. ФАПЧ это такая штуковина из 2х мик-
росхем  ТМ9  и РТ4 (или РТ11 вместо РТ4),
соединенных  в цепочку, которая якобы по-
могает  лучше  читать диски:). ФАПЧ точно
есть  на Профи - всех версий, на Скорпе ,
и  его точно нет на _оригинальном_ Пента-
гоне и контроллере из инфоркомовской кни-
жки, на остальных смотрите сами...

     Кстати, Народ!, пришлите plz;) бума-
жные схемы Кая 1024 и Атм 'а - Родина вас
не забудет!

     2. Собираете  фрагменты 1 и 2 (гене-
ратор  на  D4  можно  не собирать если он
есть, главное, чтобы ZQ1 был на 16Mhz).
     3. Если  ФАПЧ есть, то отрезайте вы-
вод  9  ТМ9  и  подавайте  на него сигнал
FREQ,  а  если ФАПЧа нет, то ищите место,
куда  идет сигнал 4Mhz (как уже писал вы-
ше,  4 Mhz используется также в схеме за-
писи - вывод 9 микросхемы ИР16), отрезае-
те его и подаете туда сигнал WRCLK.
     4. Одноименные сигналы обоих фрагме-
нтов  соединяются,  сигнал WRCLK подается
на  вывод 9 м/сх ИР16 в схеме записи (от-
резав  приходящую  туда дорожку), а WGCLK
на  вывод 24 ВГшки (идущий туда проводник
также отрезается).

     Микросхемы:
     D3: 1533ИЕ5, D4: 1533ЛН1


                Фрагмент 2.
     не забудьте, что питание на м/сх ИЕ5
подается на 10 и 5 выводы!

     Так, и еще пара замечаний перед гла-
вной частью этой статьи. Во-первых, я ис-
пользую только 3,5' HD диски, это связано
и  с тем, что 5,25' диски _imho_ морально
устарели,  так и с тем, что длина дорожки
на  них меньше, чем на 3,5'. Во-вторых, я
_категорически_  не  согласен,  что нужно
использовать  бит  7  TRDOSного порта #FF
для  переключения контроллера и дисковода
на HD и DD. И вот почему:
     1. Все програмное обеспечение не ус-
танавливает этот бит - т.е. это исключает
(без  перепрошивки)  работу всех TRDOSных
прог с HD диска.
     2. Наклейки - это  вовсе не маразм -
наоборот сразу видно какой диск HD/DD.
     3. Ну вы сами  скоро поймете, почему
;))).

     Сначала  сделайте  сигнал  /HDA,  он
снимается  с ноги микрика, отвечающего за
открытие/закрытие отверстия HD/DD, с 3,5'
дисковода.  Если  диск заклеен, то /HDA=-
лог.1.  Его  нужно подавать через 2 или 4
проводник  дисководного  шлейфа (смотрите
чтоб  другие  дисководы  на него не гади-
ли:).  Если  у Вас 3,5' стоит драйвом "А"
(как  у у  меня - кстати это предпочтитель-
ней),  то  /DSB берете с дисководного ра-
зъема  - это выбор драйва "B". Если у Вас
есть  еще дисководы, то добавьте еще дио-
дов;).  Короче говоря, на 2 вывод м/сх D2
должен  быть лог.1, тогда и только тогда,
когда   выбран  3,5'  дисковод  и  в  нем
HD'шная дискета.
     Предположим, что эту схему вы собра-
ли  и что же дальше? Лично мне попадалась
всего  одна программа, поддерживающая HD,
причем  это  форматтер, который, по идее,
бесполезен  ввиду  того, что читать и пи-
сать   нечем;(.  Пользователям  IS-DOS 'а
есть  смысл  обратиться  к фидошникам - у
них, вроде, есть драйвера под это дело.
     Ну,  а пока остается ждать появления
какого-нить  копировщика  с писишных 1,44
дисков.  Правда, у меня есть собственный,
но  он очень глючный и распространению не
подлежит. Еще, если кто желает, могу дать
модифицированный  MODPLAYER , который ра-
ботает как с 720, так и с 1,44 MSDOS дис-
ками.

     А  теперь  то,  ради чего затевалась
эта  статья. Сколько времени прошло между
возникновением  идеи  и  ее воплощением в
жизнь  сказать  сложно.  Причины обычные:
это, конечно, лень и разные бытовые мело-
чи.  Схема  называется "2 in 1" . Первое,
что  я сделал - запихал на HD дискетку 32
сектора  по  256 байт, причем с interlie-
ve=18 ,  т.е.  сектора  располагались так
(слева указан номер стороны):

0:  1, 2, 3, 4, 5, 6,..,16,17,18,19,..,32
1:15,16,17,18,19,20,..,30,31,32,  1,..,14
0:29,30,31,32,  1, 2,..,12,13,14,15,..,28
etc...  (напомню,  что  физические номера
секторов начинаются с 1).
     Если  кто  не  понял:  сначала TRDOS
грузит  сектора 1-16 стороны 0, затем пе-
реключает  сторону и грузит снова сектора
1-16,  причем  сектора  1-14  грузятся на
этом  же  обороте! Таким образом, за один
оборот  имеем в буфере почти 2 дорожки. Я
сразу же проверил в RDS 'е и чуть не упал
со  стула;),  увидев,  с  какой скоростью
check'ается диск. Ну, в общем, дальше ра-
здумывать было нечего...

     Итак детали:
     D5:  1533КП12,  D6:  1533ЛЛ1  (можно
ставить 555 серию).


     Куда паять?
     1. Режем D5 (12 вывод 1818ВГ93).
     2. Подаем туда D5VG.
     3. D5, A5, A6, /WR, /RD - сигналы  с
шины/процессора, можно взять с ВГ93 (кро-
ме D5 конечно):
     A5 - 5й вывод ВГ93,
     A6 - 6й
     /WR - 2й
     /RD - 4й
     D5 перерезанный
     4. /CSVG берем с 3 вывода ВГ93.

     Как обычно, все гениальное просто;).
Нужно обмануть ВГшку, подменяя номера се-
кторов.  Для  этого используем сигнал D5.
Номера  получаются  такие  (думаю понятно
почему):   1,2,..,16,33,34,..,48.  Встает
вопрос:  как  сделать  переключение между
двумя TRD дисками на одном дисководе? По-
скольку  у  меня  2  дисковода:  A-3,5' и
B-5,25'  +  Ramdisk D, то решение было на
поверхности: сделать драйв "C" второй по-
ловинкой  3,5'.  Для  этого отрезаем вход
дешифратора ABCD - бит D1 TRDOSного порта
#FF, на дешифратор подаем 0, а освободив-
шийся бит на доработку - он обозначен как
D1FF.  Теперь  если  выбрать в коммандере
диск  "A",  будут читаться сектора 1-16 с
драйва "A" (HD или DD), если "B", то обы-
чные DD диски 5,25', если "C", то сектора
33-48 с драйва "A", и, наконец, выбор ди-
ска "D", будет програмно перехвачен TRDO-
Sом (конечно если у Вас версия 5.12 и вы-
ше).  В случае, когда у Вас, 3,5' подклю-
чен как "B", изменений в данной схеме де-
лать  не  нужно.  Позаботтесь лишь, чтобы
режим  /HD  включался как при обрашении к
"B"  и к "C" и выключался при обращении к
"A".
     В приложении вы обнаружите програмку
HDDDFORM.B - это не что иное, как мой фо-
рматтер,  который  позволяет сформировать
диск  как нужно доработке. Но поскольку я
не  силен (точнее просто нет опыта) в пи-
сании  дисковых утилит, то за основу фор-
маттера   взят  исходник  Cardinal 'a  из
Playgear и интерфейс там фактически ника-
кой;).  К  сожалению,  эта утилитка может
только  форматировать,  ни  check'ать, ни
restore'ть  она  не  умеет. Правда, диски
можно  check'ать и в почти любой дисковой
утилитке  (в  RDS 'е  почему-то  только 2
драйва...),  но  restore делать ни в коем
случае  нельзя - убъете сразу 1 или 2 до-
рожки.  Чтоб хоть как-нибудь оправдаться,
привожу  исходники: файл FORMAIN.A - "ин-
терфэйс",  MINIFONT.A - миниатюрная печа-
талка,  FORMHD.A  - собственно, форматтер
(его можно подключить к своему интерфэйсу
и т.д. - все параметры описаны в исходни-
ке).

     Напоследок, еще одна мулька - "защи-
та  #FD" .  Наверное, многие, сделав себе
расширение  памяти Pentagon512 , частень-
ко, ругая кодеров, щелкают переключателем
ON/OFF. И все из-за того, что нынче модно
обращаться  к  #7ffd  по #fd, но с маской
#40 (все благодаря Scorp 'ам с Каями и их
системному   порту   #1ffd).  Пример:
     LD a, #50
     OUT (#FD), A  - врубить 0 банк.  Ну,
соответственно, у кого 256/512кб начинают
включаться  не те банки, портится рамдиск
и прочая ерунда. А кое-кто даже специаль-
но  (вот  это  уж совсем зря) переключает
память по #fd ( Ultrasonic - digital tra-
cker).  Короче говоря, эта проблема реше-
на уже давно (я не пользуюсь переключате-
лем pent512 on/off полтора года).

     Обычно   схема  расширения  выглядит
так:
     Микросхема-триггер - это обычно пара
элементов ТМ2 или ТМ9 или ТМ8. У ТМ2 вхо-
ды  R (должны быть соединены) - 1 и 13, у
ТМ8 и ТМ9 - 1. Входы C у ТМ2 (должны быть
соединены) - 3 и 11, у ТМ8 и ТМ9 - 9.

             Схема доработки:
             
D7: 1533ЛЕ1
     Вместо  D7 можно использовать инвер-
тор и элемент ЛЛ1 (если есть свободные на
плате).  Особое  внимание следует уделить
сигналу  WR7ffd.  Здесь приведен вариант,
пригодный  для  Пентагона и Профи : когда
записи  в  порт  нет WR7ffd=лог.0, если у
Вас  по-другому,  то подавайте WR7ffd без
инверсии (без D7.3). Принцип работ таков:
     1. LD BC,#7FFD:LD A,#50:OUT (C),A
     адресация полная - A13=bit5,B=1 - на
выходе D7.1 имеем лог.1, триггер не сбра-
сывается, включается #50 банк.
     2. LD A,#50:OUT (C),A
     адресация короткая - A13=bit5,A=0
     (напомню  5й  бит A - это блокировка
#7ffd, поэтому он всегда равен 0)
     Когда происходит запись WR7ffd=1, то
на  выходе  D7.1 - лог.0, который сбрасы-
вает  триггер - 6й и 7й биты. Таким обра-
зом включается банк 0.

     Недостатки:  все  равно  не работает
UFO  2 ,  потому  что там перед записью в
#7ffd накладывается маска #c0.
     Также  в  Ultrasonic 'е имеем только
128к. А в остальном...все отлично!

     Напоследок Coming soon from J7N :
     Если не загребут в декабре в ряды ВС
РФ, то обешаю опубликовать следующие схе-
мы:
     1. Контроллер винта с чтением секто-
ра  двумя  командами INIR и записью двумя
коммандами OTIR.
     2. Схему  эмуляции  ВГшки, причем не
важно,  на винте или на рамдиске. Все за-
висит  от  программной поддержки, которая
благополучно  сдохла  весной  этого  года
вместе с винтом;(.
     3. В дополнение к 2: метод как боро-
ться с программами, т.н. "Drive A only".
     4. (если очень попросят) Схему цвет-
ного CP/M 'а на Профи на 72пиновом симме.
     5. Полноценная пентагоновская разве-
ртка на Профи версии 5.x.
     6. Что-нибудь   еще  - делайте зака-
зы;).

     П.1  -  работал  до  кончины винта -
схему не публикую просто из-за лени.
     П.п.2,3  - проверены, но  на  данный
момент  не адаптированы под шину ( Kay/S-
corp ),  кстати, этим же объясняются тор-
моза с п.1.
     П.4. - работает у меня 2 года.
     П.5. - тормозимс.
     П.6.  -  схему разработать смогу, но
проверяйте/паяйте  сами;).  В  общем, все
зависит от свободного времени и оказывае-
мого на меня давления. Т.е. пишите/звони-
те/телеграфируйте - будут схемы. Но с од-
ним условием: в свободное распространение
пойдут только 100% проверенные вещи.

     На  днях  скачал  схему GS 'а. Почти
сразу нашел глюк: если подключен расшири-
тель, то одновременно могут выбраться ра-
зные банки памяти: RAM4 на основной плате
и  самый младший на плате расширения. На-
верное, буду делать собственную версию на
симме...


     Приветы: AXLR , thx за схему Turbo в
Пентагоне ,     Combinator&Point/Pht    и
Tiggr/BW/XPJ   за   моральную  поддержку,
VTS ,  Cardinal/PGC - а не слабо отформа-
тить диск за 16 сек.;)?, ну и всем пермс-
ким ZX маньякам.


cYa, send messages to
мыло: jtn#mail.ru or golubt#psu.ru
звонилка: (3422) 16-82-34 (Василий)
ring time: 17:00 - 21:00 msk
папер: 614002 Пермь, Островского 111а-47